ABRA Фильтры
Основные области применения таких фильтров - механическая очистка рабочей среды от грязи, ржавчины, стружки и т. д. в системах отопления, тепло-водоснабжения, системах кондиционирования, промышленных системах и т.п. В зависимости от материала и исполнения, данную конструкцию можно использовать на воздух, азот, масла, углекислый газ, нефтепродукты и другие жидкости и газы. Фильтры сетчатые предназначены для установки перед: - балансировочными клапанами, - регулирующей арматурой, - расходомерами, - насосами и другими устройствами с повышенными требованиями к чистоте проходящей через них воды или другой среды. Как правило, подобные механические фильтры имеют съемную крышку и сливную пробку для периодической промывки. Существуют модификации фильтров сетчатых с устанавливаемыми внутрь последних специальных магнитных вставок, призванных проводить дополнительную очистку среды, притягивая железосодержащие магнитные частицы.
Фильтр сетчатый резьбовой латунный DN8-50 PN16, ABRA-YS-3000E
Фильтр сетчатый резьбовой чугунный DN15-50 PN16, ABRA-YS-3016-D
Фильтр сетчатый резьбовой из нержавеющей стали DN8-50 PN40 ABRA-YS-3000-SS316 (сталь SS316 )
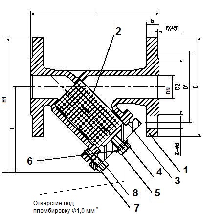
Фильтр сетчатый фланцевый чугунный DN15-600 PN16, ABRA-YF-3016-D.
Фильтр магнитно-механический сетчатый фланцевый чугунный с магнитной вставкой DN15-500 PN16 ABRA-YF-3016-D ФМФ.
Фильтры магнитно-механические, они же фильтры магнитные (другое название: фильтры магнитные фланцевые) предназначены для улавливания стойких механических примесей в рабочей среде. Магнитный фильтр фланцевый сетчатый задерживает все твердые частицы, чьи размеры превышают размеры ячеек, а магниты улавливают даже мелкие намагниченные и металлические частицы. Фильтры магнитно-механические ФМФ широко зарекомендовали себя на стальных, чугунных и пластиковых трубопроводах различных систем. Направление потока рабочей среды должно совпадать с направлением стрелки на корпусе магнитного фильтра. Несомненно, фильтр магнитный является важным элементом трубопроводной арматуры, поскольку защищает уязвимые элементы трубопровода.
Рабочие среды и применения:
Холодное водоснабжение (ХВС),
горячее водоснабжение (ГВС),
теплоснабжение с любым стандартным теплоносителем (включая антифризы),
паровые системы (паровые линии, паропроводы) до 250 °C максимум,
конденсатные линии,
технологическое водоснабжение,
газопроводы нейтральных и инертных газов, включая природный (натуральный) газ,
водоподготовка и водозабор,
транспортировка минеральных и синтетических масел и т.д.
Магнитный фильтр фланцевый ABRA ФМФ:
Фактически, ФМФ Фильтр магнитно-механический сетчатый фланцевый чугунный с магнитной вставкой Ду 15-500 (1/2-20") Ру 16 ABRA-YF-3016-D ФМФ представляет собой:
Фильтр сетчатый фланцевый чугунный Ду 015-500 (1/2-20") Ру 16, ABRA-YF-3016-D с установленной внутри
Магнитной вставкой для фильтров сетчатых ABRA-YF-3016-D фланцевых
Поэтому, наиболее разумным, экономным и практичным вариантом при потребности в фильтре магнитном является заказ нижеследующего набора:
(Необходимо и входит в стандартный комплект) Фильтр сетчатый фланцевый чугунный Ду 015-500 (1/2-20") Ру 16, ABRA-YF-3016-D потребного диаметра
(Необходимо и входит в стандартный комплект) Магнитная вставка для фильтра сетчатого ABRA-YF-3016-D фланцевого соответствующего диаметра
(Рекомендовано) Прокладки крышки фильтра соответствующего диаметра
(В случае специальной потребности) Сетки (фильтрующие элементы) для фильтров сетчатых "грязевиков" ABRA-YF-3016-D с нестандартным размером ячейки
Фильтр сетчатый фланцевый из нержавеющей стали DN15-300 PN16, ABRA-YF-3000-SS316
