ТРОЙНИКИ СТАЛЬНЫЕ ГОСТ 17376-2001 (ИСО 3419-81)
1. Область применения
Настоящий стандарт распространяется на бесшовные приварные равнопроходные и переходные тройники из углеродистой и низколегированной стали.
Область применения тройников - в соответствии с разделом 1 ГОСТ 17380.
Требования пункта 4.1 и раздела 5 являются обязательными, остальные требования - рекомендательными.
2. Нормативные ссылки
В настоящем стандарте использована ссылка на ГОСТ 17380-2001. Детали трубопроводов бесшовные приварные из углеродистой и низколегированной стали. Общие технические условия.
3. Определения, обозначения и сокращения
Термины, их определения, обозначения и сокращения - по ГОСТ 17380.
4. Конструкция и размеры
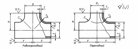
4.1. Конструкция и размеры тройников должны соответствовать указанным на рисунке 1 и в таблицах 1 и 2.

Рисунок 1
| DN | D | T | D1 | T1 | F | H | Масса, кг |
| 15 | 21,3 | 2 | 21,3 | 2 | 25 | 25 | 0,19 |
| 3,2 | 3,2 | 0,3 | |||||
| 4 | 4 | 0,38 | |||||
| 20 | 26,9 | 2 | 2 | 29 | 29 | 0,26 | |
| 3,2 | 3,2 | 0,42 | |||||
| 4 | 4 | 0,52 | |||||
| 2 | 26,9 | 2 | 0,23 | ||||
| 3,2 | 3,2 | 0,37 | |||||
| 4 | 4 | 0,46 | |||||
| 25 | 33,7 | 2,3 | 21,3 | 2 | 38 | 38 | 0,25 |
| 3,2 | 3,2 | 0,35 | |||||
| 4,5 | 4 | 0,4 | |||||
| 2,3 | 26,9 | 2 | 0,25 | ||||
| 3,2 | 3,2 | 0,35 | |||||
| 4,5 | 4 | 0,4 | |||||
| 2,3 | 33,7 | 2,3 | 0,4 | ||||
| 3,2 | 3,2 | 0,64 | |||||
| 4,5 | 4,5 | 0,8 | |||||
| 32 | 42,4 | 2,6 | 21,3 | 2 | 48 | 48 | 0,79 |
| 3,6 | 3,2 | 1,1 | |||||
| 5 | 4 | 1,5 | |||||
| 2,6 | 26,9 | 2 | 0,79 | ||||
| 3,6 | 3,2 | 1,1 | |||||
| 5 | 4 | 1,5 | |||||
| 2,6 | 33,7 | 2,3 | 0,79 | ||||
| 3,6 | 3,2 | 1,1 | |||||
| 5 | 4 | 1,5 | |||||
| 2,6 | 42,4 | 2,6 | 0,79 | ||||
| 3,6 | 3,6 | 1,1 | |||||
| 5 | 5 | 1,5 | |||||
| 40 | 48,3 | 2,6 | 26,9 | 2 | 57 | 57 | 1 |
| 3,6 | 3,2 | 1,4 | |||||
| 5 | 4 | 2 | |||||
| 2,6 | 33,7 | 2,3 | 1 | ||||
| 3,6 | 3,2 | 1,4 | |||||
| 5 | 4,5 | 2 | |||||
| 2,6 | 42,4 | 2,6 | 1 | ||||
| 3,6 | 3,6 | 1,4 | |||||
| 5 | 5 | 2 | |||||
| 2,6 | 48,3 | 2,6 | 1 | ||||
| 3,6 | 3,6 | 1,4 | |||||
| 5 | 5 | 2 | |||||
| 50 | 60,3 | 2,9 | 33,7 | 2,9 | 64 | 51 | 1,6 |
| 4 | 4 | 2,2 | |||||
| 5,6 | 5,6 | 3 | |||||
| 2,9 | 42,4 | 2,6 | 57 | 1,6 | |||
| 4 | 3,6 | 2,2 | |||||
| 5,6 | 5 | 3 | |||||
| 2,9 | 48,3 | 2,6 | 60 | 1,6 | |||
| 4 | 3,6 | 2,2 | |||||
| 5,6 | 5 | 3 | |||||
| 2,9 | 60,3 | 2,3 | 64 | 1,6 | |||
| 4 | 3,2 | 2,2 | |||||
| 5,6 | 4,5 | 3 | |||||
| 65 | 76,1 | 2,9 | 42,4 | 2,6 | 76 | 64 | 3,2 |
| 5 | 3,6 | 5,5 | |||||
| 7,1 | 5 | 7,9 | |||||
| 2,9 | 48,3 | 2,9 | 67 | 3,2 | |||
| 5 | 4 | 5,5 | |||||
| 7,1 | 5,6 | 7,9 | |||||
| 2,9 | 60,3 | 2,6 | 70 | 3,2 | |||
| 5 | 3,6 | 5,5 | |||||
| 7,1 | 5 | 7,9 | |||||
| 2,9 | 76,1 | 2,9 | 76 | 3,2 | |||
| 5 | 5 | 5,5 | |||||
| 7,1 | 7,1 | 7,9 | |||||
| 80 | 88,9 | 3,2 | 48,3 | 2,9 | 86 | 73 | 2,2 |
| 5,6 | 4 | 4 | |||||
| 8 | 5,6 | 5,5 | |||||
| 3,2 | 60,3 | 2,9 | 76 | 2,2 | |||
| 5,6 | 4 | 4 | |||||
| 8 | 5,6 | 5,5 | |||||
| 3,2 | 76,1 | 2,9 | 83 | 2,5 | |||
| 5,6 | 5 | 4,5 | |||||
| 8 | 7,1 | 6,2 | |||||
| 3,2 | 88,9 | 3,2 | 86 | 2,5 | |||
| 5,6 | 5,6 | 4,5 | |||||
| 8 | 8 | 6,2 | |||||
| 100 | 114,3 | 3,6 | 60,3 | 2,7 | 105 | 89 | 3,8 |
| 6,3 | 4 | 6,7 | |||||
| 8,8 | 5,6 | 10 | |||||
| 3,6 | 76,1 | 2,9 | 95 | 4,5 | |||
| 6,3 | 5 | 7,8 | |||||
| 8,8 | 7,1 | 10 | |||||
| 3,6 | 88,9 | 3,2 | 98 | 4,5 | |||
| 6,3 | 5,6 | 7,8 | |||||
| 8,8 | 8 | 10 | |||||
| 3,6 | 114,3 | 3,6 | 105 | 4,5 | |||
| 6,3 | 6,3 | 7,8 | |||||
| 8,8 | 8,8 | 10 | |||||
| 125 | 139,7 | 4 | 76,1 | 2,9 | 124 | 108 | 3,4 |
| 6,3 | 5 | 5,3 | |||||
| 10 | 7,1 | 16 | |||||
| 4 | 88,9 | 3,2 | 111 | 3,4 | |||
| 6,3 | 5,6 | 5,3 | |||||
| 10 | 8 | 16 | |||||
| 4 | 114,3 | 3,6 | 117 | 3,4 | |||
| 6,3 | 6,3 | 5,3 | |||||
| 10 | 8,8 | 16 | |||||
| 4 | 139,7 | 4 | 124 | 3,4 | |||
| 6,3 | 6,3 | 5,3 | |||||
| 10 | 10 | 16 | |||||
| 150 | 168,3 | 4,5 | 88,9 | 3,2 | 143 | 124 | 9,4 |
| 7,1 | 5,6 | 16 | |||||
| 11 | 8 | 24 | |||||
| 4,5 | 114,3 | 3,6 | 130 | 9,4 | |||
| 7,1 | 6,3 | 16 | |||||
| 11 | 8,8 | 24 | |||||
| 4,5 | 139,7 | 4 | 137 | 9,4 | |||
| 7,1 | 6,3 | 16 | |||||
| 11 | 10 | 24 | |||||
| 4,5 | 168,3 | 4,5 | 143 | 9,4 | |||
| 7,1 | 7,1 | 16 | |||||
| 11 | 11 | 24 | |||||
| 200 | 219,1 | 6,3 | 114,3 | 3,6 | 178 | 156 | 16 |
| 8 | 6,3 | 20 | |||||
| 12,5 | 8,8 | 43 | |||||
| 6,3 | 139,7 | 4 | 162 | 16 | |||
| 8 | 6,3 | 20 | |||||
| 12,5 | 10 | 43 | |||||
| 6,3 | 168,3 | 4,5 | 168 | 16 | |||
| 8 | 7,1 | 20 | |||||
| 12,5 | 11 | 43 | |||||
| 6,3 | 219,1 | 6,3 | 178 | 23 | |||
| 8 | 8 | 29 | |||||
| 12,5 | 12,5 | 44 | |||||
| 250 | 273 | 6,3 | 139,7 | 4 | 216 | 191 | 33 |
| 10 | 6,3 | 52 | |||||
| 6,3 | 168,3 | 4,5 | 194 | 33 | |||
| 10 | 7,1 | 52 | |||||
| 6,3 | 219,1 | 6,3 | 203 | 33 | |||
| 10 | 7,1 | 52 | |||||
| 6,3 | 273 | 6,3 | 216 | 33 | |||
| 10 | 10 | 52 | |||||
| 300 | 323,9 | 7,1 | 168,3 | 4,5 | 254 | 219 | 47 |
| 10 | 7,1 | 66 | |||||
| 7,1 | 219 | 6,3 | 229 | 47 | |||
| 10 | 8 | 66 | |||||
| 7,1 | 273 | 6,3 | 241 | 47 | |||
| 10 | 8 | 66 | |||||
| 7,1 | 323,9 | 7,1 | 254 | 54 | |||
| 10 | 10 | 77 | |||||
| 350 | 355,6 | 8 | 219,1 | 6,3 | 279 | 248 | - |
| 11 | 8 | ||||||
| 8 | 273 | 6,3 | 257 | ||||
| 11 | 10 | ||||||
| 8 | 323,9 | 7,1 | 270 | ||||
| 11 | 10 | ||||||
| 8 | 355,6 | 8 | 279 | 68 | |||
| 11 | 11 | 94 | |||||
| 400 | 406,4 | 8,8 | 273 | 6,3 | 305 | 283 | - |
| 12,5 | 10 | ||||||
| 8,8 | 323,9 | 7,1 | 295 | ||||
| 12,5 | 10 | ||||||
| 8,8 | 355,6 | 8 | 305 | - | |||
| 12,5 | 10 | ||||||
| 8,8 | 406,4 | 8,8 | 88 | ||||
| 12,5 | 12,5 | 131 | |||||
| 450 | 457 | 10 | 323,9 | 7,1 | 343 | 321 | - |
| 355,6 | 8 | 330 | |||||
| 355,6 | 11 | ||||||
| 406,4 | 8,8 | ||||||
| 457 | 10 | 343 | |||||
| 500 | 508 | 11 | 355,6 | 8 | 381 | - | |
| 406,4 | 8,8 | 356 | |||||
| 457 | 10 | 368 | |||||
| 508 | 11 | 381 | |||||
| 600 | 610 | 12,5 | 406,4 | 8,8 | 432 | 406 | |
| 457 | 10 | 419 | |||||
| 508 | 11 | 432 | |||||
| 610 | 12,5 | ||||||
| 700 | 711 | - | 711 | - | 521 | 521 | |
| 800 | 813 | 813 | 597 | 597 | |||
| 900 | 914 | 914 | 673 | 673 | |||
| 1000 | 1016 | 1016 | 749 | 749 |
Примечания - Масса приведена для справок.
| DN | D | T | D1 | T1 | F | H | r, не менее | Масса, кг |
| 40 | 45 | 2,5 | - | - | 40 | 40 | 5 | 0,3 |
| 4 | 0,4 | |||||||
| 5 | 0,4 | |||||||
| 50 | 57 | 3 | 45 | 2,5 | 50 | 45 | 0,4 | |
| 4 | 3 | 0,6 | ||||||
| 5 | 4 | 0,7 | ||||||
| 3 | - | - | 0,4 | |||||
| 4 | 0,6 | |||||||
| 5 | 0,7 | |||||||
| 65 | 76 | 3,5 | 45 | 2,5 | 65 | 60 | 0,8 | |
| 6 | 4 | 1,4 | ||||||
| 7 | 5 | 1,6 | ||||||
| 3,5 | 57 | 3 | 0,8 | |||||
| 6 | 5 | 1,4 | ||||||
| 7 | 5,5 | 1,6 | ||||||
| 3,5 | - | - | 0,8 | |||||
| 6 | 1,4 | |||||||
| 7 | 1,6 | |||||||
| 80 | 89 | 3,5 | 57 | 3 | 80 | 70 | 5 | 1,5 |
| 6 | 4 | 2 | ||||||
| 8 | 5,5 | 2,7 | ||||||
| 3,5 | 76 | 3,5 | 1,5 | |||||
| 6 | 6 | 2 | ||||||
| 8 | 7 | 2,7 | ||||||
| 3,5 | - | - | 1,5 | |||||
| 6 | 2 | |||||||
| 8 | 2,7 | |||||||
| 100 | 108 | 4 | 76 | 3,5 | 100 | 80 | 2,2 | |
| 6 | 5 | 3,3 | ||||||
| 8 | 6 | 4,5 | ||||||
| 9 | 7 | 4,9 | ||||||
| 4 | 89 | 4 | 2,2 | |||||
| 6 | 6 | 3,3 | ||||||
| 8 | 8 | 4,5 | ||||||
| 9 | 8 | 4,9 | ||||||
| 4 | - | - | 2,2 | |||||
| 6 | 3,3 | |||||||
| 8 | 4,5 | |||||||
| 9 | 4,9 | |||||||
| 125 | 133 | 4 | 89 | 3,5 | 110 | 95 | 6 | 2,9 |
| 6 | 5 | 4,1 | ||||||
| 8 | 6 | 5,9 | ||||||
| 10 | 8 | 6,8 | ||||||
| 12 | 9 | 8 | ||||||
| 4 | 108 | 4 | 2,9 | |||||
| 6 | 5 | 4,1 | ||||||
| 8 | 6 | 5,9 | ||||||
| 10 | 9 | 6,8 | ||||||
| 12 | 10 | 8 | ||||||
| 4 | - | - | 2,9 | |||||
| 6 | 4,1 | |||||||
| 8 | 5,9 | |||||||
| 10 | 6,8 | |||||||
| 12 | 8 | |||||||
| 150 | 159 | 4,5 | 108 | 4 | 130 | 110 | 8 | 4,8 |
| 6 | 5 | 6,6 | ||||||
| 8 | 6 | 9 | ||||||
| 10 | 9 | 10,1 | ||||||
| 12 | 10 | 12,2 | ||||||
| 4,5 | 133 | 4 | 4,8 | |||||
| 6 | 5 | 6,6 | ||||||
| 8 | 6 | 9 | ||||||
| 10 | 10 | 10,1 | ||||||
| 12 | 12 | 12,2 | ||||||
| 4,5 | - | - | 4,8 | |||||
| 6 | 6,6 | |||||||
| 8 | 9 | |||||||
| 10 | 10,1 | |||||||
| 12 | 12,2 | |||||||
| 200 | 219 | 6 | 133 | 5 | 160 | 140 | 10 | 10,2 |
| 8 | 6 | 13,8 | ||||||
| 10 | 8 | 16,8 | ||||||
| 12 | 10 | 19,9 | ||||||
| 16 | 16 | 26,6 | ||||||
| 6 | 159 | 6 | 10,2 | |||||
| 8 | 6 | 13,8 | ||||||
| 10 | 8 | 16,8 | ||||||
| 12 | 11 | 19,9 | ||||||
| 16 | 12 | 26,6 | ||||||
| 6 | - | - | 10,2 | |||||
| 8 | 13,8 | |||||||
| 10 | 16,8 | |||||||
| 12 | 19,9 | |||||||
| 16 | 26,6 | |||||||
| 250 | 273 | 7 | 159 | 4,5 | 190 | 175 | 12 | 18,4 |
| 10 | 6 | 26 | ||||||
| 12 | 8 | 31,2 | ||||||
| 16 | 11 | 41,6 | ||||||
| 18 | 12 | 46,8 | ||||||
| 7 | 219 | 6 | 18,4 | |||||
| 10 | 8 | 26 | ||||||
| 12 | 10 | 31,2 | ||||||
| 16 | 12 | 41,6 | ||||||
| 18 | 16 | 46,8 | ||||||
| 7 | - | - | 18,4 | |||||
| 10 | 26 | |||||||
| 12 | 31,2 | |||||||
| 16 | 41,6 | |||||||
| 18 | 46,8 | |||||||
| 300 | 325 | 8 | 219 | 6 | 220 | 200 | 15 | 27,4 |
| 10 | 8 | 34,2 | ||||||
| 12 | 10 | 41,1 | ||||||
| 16 | 12 | 54,8 | ||||||
| 22 | 16 | 75,3 | ||||||
| 8 | 273 | 7 | 27,4 | |||||
| 10 | 10 | 34,2 | ||||||
| 12 | 12 | 41,1 | ||||||
| 16 | 16 | 54,8 | ||||||
| 22 | 18 | 75,3 | ||||||
| 8 | - | - | 27,4 | |||||
| 10 | 34,2 | |||||||
| 12 | 41,1 | |||||||
| 16 | 54,8 | |||||||
| 22 | 75,3 | |||||||
| 350 | 377 | 10 | 273 | 7 | 240 | 225 | 15 | 46 |
| 12 | 10 | 55,2 | ||||||
| 16 | 12 | 73,6 | ||||||
| 20 | 16 | 92 | ||||||
| 10 | 325 | 8 | 46 | |||||
| 12 | 10 | 55,2 | ||||||
| 16 | 16 | 73,6 | ||||||
| 20 | 18 | 92 | ||||||
| 10 | - | - | 46 | |||||
| 12 | 55,2 | |||||||
| 16 | 73,6 | |||||||
| 20 | 92 | |||||||
| 400 | 426 | 10 | 325 | 8 | 270 | 250 | 18 | 55,5 |
| 12 | 10 | 66,6 | ||||||
| 16 | 12 | 88,8 | ||||||
| 18 | 16 | 100 | ||||||
| 10 | 377 | 10 | 55,5 | |||||
| 12 | 12 | 66,6 | ||||||
| 16 | 16 | 88,8 | ||||||
| 18 | 18 | 100 | ||||||
| 10 | - | - | 55,5 | |||||
| 12 | 66,6 | |||||||
| 16 | 88,8 | |||||||
| 18 | 100 |
Примечания
1. Масса приведена для справок.
2. Масса соответствует тройникам, изготовляемым из труб с размерами D и T гидроштамповкой. При изготовлении другими способами и (или) из других заготовок массу устанавливает изготовитель.
Примеры условных обозначений:
- переходного тройника исполнения 1, D = 60,3 мм, Т = 2,9 мм, D1 = 48,3 мм, Т1 = 2,6 мм из стали марки TS9:
Тройник 1-60,3 ´ 2,9-48,3 ´ 2,6-TS9 ГОСТ 17376-2001
- равнопроходного тройника исполнения 2, D = 76 мм, Т = 7,0 мм из стали марки 20:
Тройник 76 ´ 7 ГОСТ 17376-2001
- то же, с Тв = 10 мм, из стали 09Г2С для трубопроводов, подконтрольных органам надзора:
Тройник П 76 ´ 7/10-09Г2С ГОСТ 17376-2001
4.2. По согласованию между потребителем (заказчиком) и изготовителем допускается изготавливать тройники других размеров.
4.3. Допускается изготовление тройников с увеличенной толщиной стенки Тв в зоне сопряжения магистрали и ответвления и других неторцевых сечений.
5. Технические условия
Технические условия - по ГОСТ 17380.
